| Rus | Eng |


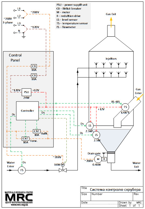
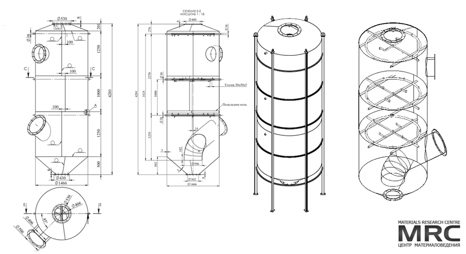
Составные части скруббера:
- Корпус скруббера разборной;
- Система орошения с центробежными тангенциальными форсунками (сменными);
- С поплавковым устройством регулирования уровня шлама;
- Система аварийного отключения подачи воды.
Назначение скруббера в целом - очистки дымовых газов от пыли, образующейся при сжигании дисперсного углесодержащего материала в дожигателей. Корпус скруббера предназначен для организации потоков газа и капель воды. Система орошения предназначена для подачи и распыления воды в корпусе скруббера. Механизм отвода шлама предназначен для автоматического отвода шлама из корпуса скруббера. Система аварийного отключения подачи воды предназначена для отключения подачи воды при невозможности отвода шлама из корпуса скруббера.
Скруббер функционирует следующим образом:
Газ поступает на очистку, подается по наклонному газоходу в нижнюю часть скруббера и поднимается по корпусу вверх. В верхней части скруббера расположены 3 яруса орошения, состоящие из центробежных форсунок. Известково-водная суспензия (водный раствор CaCO3), который подается под давлением, распыляется. Образующиеся капли водного раствора CaCO3 падают под действием силы тяжести навстречу загрязненному газу. Улавливания частиц пыли каплями воды происходит под действием инерционного и диффузионного механизма, гидродинамических и электростатических сил и турбулентной диффузии. Очистка газа от оксида серы (SO2) происходит по абсорбционной технологии. При контакте известково-водяной взвеси с газом происходит реакция:
СаСО3 + SО2 + ½ Н2О = СаSО3·½Н2О + СО2
Кислород, находящийся в продуктах сгорания, доокисляет сульфат кальция в нейтральный сульфат (гипс):
СаSO3 ·½H2O +1½O2 = CaSO4·2H2O
Отработанный водный раствор, содержащий гипс CaSO4 и уловленную пыль, собирается в нижней части скруббера. Очищенный газ отводится через газоходы, размещенные в верхней части аппарата. Для выпуска шлама предусмотрено специальное устройство, состоящее из поплавковой камеры и дросселя регулятора, который поддерживает заданный уровень шлама в бункере. 
Скрубберы предназначены для очистки газовоздушных выбросов от пыли и газовых примесей, охлаждения газов (осушки и увлажнения), а также для предварительной очистки и кондиционирования газов, далее поступающих в пылеулавливающие аппараты других типов.




Дякуємо всім друзям, партнерам, волонтерам за допомогу та вашу невтомну роботу! Продовжуємо допомагати нашим захисникам та доправляємо військове спорядження, гуманітарну допомогу, польову медицину та спеціальні медицині засоби до військових підрозділів, територіальної оборони, лікарень на передовій!
Якщо є люди, фонди та волонтери, які хочуть відправити допомогу в Україну з країн Європи або США, ми готові приймати на наші склади, складати збірні чи окремі партії та під замовлення і прицільно передавати їх далі кому вона необхідна. На всю гуманітарну допомогу буде надано звітність про передачу, фото.


Говорят, что большие вещи приходят в маленьких посылках. И в течение последнего десятилетия MXenes - двумерные соединения углерода и переходных металлов, впервые разработанные в Дрекселе - подтверждали эту точку зрения, стимулируя инновации во многих областях науки. Теперь новое партнерство открывает возможности для помощи MXenes в спасении жизней.
Совместно с этой лекцией профессор Юрий Гогоци получит звание почетного доктора Сумского государственного университета.Это уникальная возможность приобщиться к науке мирового уровня, окунуться в мир наноматериалов и проследить научный путь нашего соотечественника. Лекция пройдет в 16:00, 27 мая 2021 года в Конгресс-Центре СумГУ, зал Сингапур 220, в г. Сумы.
Материал MXene, который был впервые получен учеными из Университета Дрекселя в 2011 году, - это еще один шаг к тому, чтобы изменить жизнь людей, страдающих болезней почек на 
Участник проекта CANBIOSE из Центра материаловедения (MRC), выполнил визит в партнерскую организацию Вильнюсский университет, для выполнения программы совместных исследований и тренингов.
Всемирно известный ученый-украинец профессор Юрий Георгиевич Гогоци рассказал о последних новинках нанотехнологий. Возможность для общения с ученым мирового уровня - редкость, но воспитанникам Малой Академии Наук Украины (МАН) везет. Именно такую возможность они недавно получили.
Инженер-исследователь из MRC Иван Гришко находится в Латвийском университете, где провел семинар по MXenes
Совместно с польскими коллегами они
Совместно с коллегами из КТУ они занимались симуляциями и моделированием механических свойств наноматериалов и нанокомпозитов.
В январе 2019 года профессор Юрий Гогоци был избран членом Европейской академии наук (EURASC). Профессор Юрий Гогоци - ведущий украинский и американский ученый в области химии, с 2000 года профессор Университета Дрекселя, Филадельфия, США, в области материаловедения, инженерии и нанотехнологий.