

| Rus | Eng |
Скрубберы - аппараты различной конструкции для промывки жидкостями газов с целью их очистки и для извлечения одного или нескольких компонентов, а также барабанные машины для промывки полезных ископаемых. Широко используются при улавливании продуктов коксования и очистке промышленных газов от пыли, для увлажнения и охлаждения газов, в различных химико-технологических процессах.
Газоочистительные аппараты основаны на промывании газа жидкостью. Газ промывается водой либо другим рабочим раствором, при этом смешении и взаимодействии происходит процесс очистки его. Такой метод смешения называют методом мокрой очистки. Таким образом, можно очистить газ от частиц любого размера. Метод мокрой очистки газов является механическим и применяется на заключительном этапе охлаждения. Аппараты мокрой очистки используют различные виды поверхностей при смешении жидкости с газом. При использовании этого метода возможно удаление всех примесей из газа, за счет конденсации на них более тяжелых частиц пара. Выделяют следующие виды скрубберов:
Башни с насадкой (насадочные скрубберы) — емкость, которую можно представить в форме колоны.Такого рода скруббер может содержать различные насадки, имеющие как простую, так и сложную форму. Например, это могут быть кольца с перегородками или простые кольца (кольца Рашига), спиральные розетки Теллера, седла Берля и многие другие приспособления. В насадочном скруббере есть система орошения, состоящая из нескольких ступеней внутри корпуса, где располагаются форсунки. Форсунки перекрывают сечение, где из сопел производится распыление. Не смотря на то, что распыление жидкости производится навстречу входящему потоку либо поперек, гидродинамика этого потока не велика. В связи с этим скорость обменных процессов в этих скрубберах остается неизменно малой.Что влечет за собой большие габаритные размеры этих установок. В верхней части этой громоздкой конструкции расположен каплеуловитель, оснащенный коническим завихрителем. А также присутствует дополнительный ярус форсунок, которые промывают лопасти и карман завихрителя.
Орошаемые циклоны (центробежные скрубберы) - в них газовый поток, контактирующий с жидкостью, вращается в корпусе аппарата под действием центробежной силы. Используют при очистке больших объемов газа. Центробежный скруббер представляет собой полый вертикально расположенный цилиндр в нижнюю область, которого входит газ для очистки, а в верхней части цилиндра по его окружности установлены форсунки. Через форсунки жидкость попадает на внутреннюю область цилиндра, где создает тонкую водную пленку. Цилиндр при этом открыт, и очищенный газ беспрепятственно покидает пределы конструкции. В скруббере газ движется по винтовой линии снизу вверх. Оттесненная к стенкам скруббера пыль намокает и под силой тяжести вместе с водой скатывается в нижнюю часть конструкции скруббера,образуя пульпу. Позже оттуда газ удаляется. Центробежные скрубберы имеют гидравлическое сопротивление порядка 400-850 Па. Степень очистки для частиц более 30 мкм равна 90%, для частиц с диаметром равным 5 мкм снижается до 80%, для частиц с диаметром менее 5 мкм приравнивается к 40%. ;
Пенные аппараты- используются для очистки газа от аэрозолей полидисперсного состава. Эти скрубберы могут работать в режиме турбулентности при линейной скорости газа порядка 4-5 м/с. Для частиц с диаметром больше 5 мкм эффективность улавливания составляет 90-99%, а при меньшем диаметре снижается до 75%.-80%. ;
Скрубберы Вентури- скруббер, в котором интенсивное дробление контактирующей с газом жидкости осуществляется за счет высокой скорости газового потока, достигаемой в трубе-распылителе, имеющей форму трубы Вентури. В основе скруббера Вентури лежит одноименная трубка. Эта конструкция оснащена сепаратором и орошается внутри жидкостью. Иногда вместо сепаратора используются каплеуловители и укороченные циклоны.горловиной. Конструкция трубы Вентури выполнена основываясь на законах аэродинамики. Скруббер Вентури предназначен для улавливания частиц пыли, для охлаждения газов, для абсорбции. Принцип работы скруббера Вентури основывается на том, что газ для очистки поступает в конфузор, двигаясь к горловине трубы набирает скорость, смешивается с промывочной жидкостью и пыль осаждается на каплях, поступая в диффузор. На каплеуловителе происходит сепарация. При этом скорость потока жидкости меньше потока пыли. Скрубберы Вентури часто используются в качестве первичной очистки газов. Скрубберы находят широкое применение в черной, цветной металлургии, химической, нефтяной промышленности, в энергетике.
Полые скрубберы - являют собой пустотелую цилиндрическую или прямоугольную башню, выполненную из металла. В случае необходимости внутреннюю поверхность скрубберов футеруют или покрывают антикоррозионным покрытием. Скруббер состоит из цилиндрического полого металлического корпуса, по высоте которого размещены три яруса коллекторов орошения, входного и выходного патрубков, центробежного каплеуловителя с коническим завихрителем, емкости для абсорбента с подогревателем, штуцеров для отвода абсорбента из скруббера и каплеуловителя. Скруббер орошается 2 — 5%-ным водным раствором гидроксида или карбоната натрия через три яруса коллекторов орошения. Скрубберы полые предназначены для химической очистки технологических и вентиляционных газов от газообразных соединений фтора методом щелочной абсорбции водными растворами гидроксида или карбоната натрия.

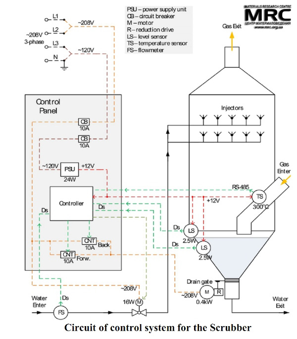
Полый скруббер для мокрой очистки дымовых газов от пыли, абсорбционный раствор СаСО3 производительность 1000м3/час
Составные части скруббера:
- Корпус скруббера разборной;
- Система орошения с центробежными тангенциальными форсунками (сменными);
- С поплавковым устройством регулирования уровня шлама;
- Система аварийного отключения подачи воды.
Назначение скруббера в целом - очистки дымовых газов от пыли, образующейся при сжигании дисперсного углесодержащего материала в дожигателей. Корпус скруббера предназначен для организации потоков газа и капель воды. Система орошения предназначена для подачи и распыления воды в корпусе скруббера. Механизм отвода шлама предназначен для автоматического отвода шлама из корпуса скруббера. Система аварийного отключения подачи воды предназначена для отключения подачи воды при невозможности отвода шлама из корпуса скруббера.
Скруббер функционирует следующим образом: Газ поступает на очистку, подается по наклонному газоходу в нижнюю часть скруббера и поднимается по корпусу вверх. В верхней части скруббера расположены 3 яруса орошения, состоящие из центробежных форсунок. Известково-водная суспензия (водный раствор CaCO3), который подается под давлением, распыляется. Образующиеся капли водного раствора CaCO3 падают под действием силы тяжести навстречу загрязненному газу. Улавливания частиц пыли каплями воды происходит под действием инерционного и диффузионного механизма, гидродинамических и электростатических сил и турбулентной диффузии. Очистка газа от оксида серы (SO2) происходит по абсорбционной технологии. При контакте известково-водяной взвеси с газом происходит реакция:
СаСО3 + SО2 + ½ Н2О = СаSО3·½Н2О + СО2
Кислород, находящийся в продуктах сгорания, доокисляет сульфат кальция в нейтральный сульфат (гипс):
СаSO3 ·½H2O +1½O2 = CaSO4·2H2O
Отработанный водный раствор, содержащий гипс CaSO4 и уловленную пыль, собирается в нижней части скруббера. Очищенный газ отводится через газоходы, размещенные в верхней части аппарата. Для выпуска шлама предусмотрено специальное устройство, состоящее из поплавковой камеры и дросселя регулятора, который поддерживает заданный уровень шлама в бункере. 

Тарельчатый скруббер для мокрой очистки дымовых газов от пыли, абсорбционный раствор NaOH, производительность 407м3/час
Составные части скруббера:
- Корпус скруббера разборной;
- Система орошения с центробежными тангенциальными форсунками (сменными) и тарелками для образования пены;
- Устройство отвода шлама;
- Система аварийного отключения подачи воды.
Скруббер функционирует следующим образом: Газ, поступающий на очистку, подается по наклонному газоходу в нижнюю часть скруббера и поднимается по корпусу вверх. В верхней части скруббера расположены 3 яруса орошения, состоящие из центробежных форсунок. Раствор NaOH, подаваемой под давлением распыляется. Образующиеся капли раствора падают под действием силы тяжести навстречу запыленному газу и попадают на дырчатые провальные тарелки, на которых образуется пенный режим, и происходит взаимодействие газа с раствором. Очистка газа от оксидов серы (SO2) происходит по абсорбционной технологии. При контакте раствора NaOH с газом происходят следующие реакции:
2NaOH+SO2→Na2SO3+H2O
NaOH+SO2→NaHSO3
2Na2CO3+SO2+H2O → 2NaHSO3
2Na2CO3+SO2 → Na2SO3+CO2
Отработанный раствор и уловленная пыль, собирается в нижней части скруббера. Очищенный газ отводится через газоходы, которые размещены в верхней части аппарата.



Корпус скруббера предназначен для организации потоков газа и капель воды. Система орошения предназначена для подачи и распыления воды в корпусе скруббера и организации пенного режима на тарелках. Устройство отвода шлама предназначен для автоматического отвода шлама из корпуса скруббера. Система аварийного отключения подачи воды предназначена для отключения подачи воды при невозможности отвода шлама из корпуса скруббера.
Скрубберы как аппараты мокрого пылеулавливания получили широкое распространение ввиду сравнительно небольшой стоимости изготовления, высокой эффективности пылеулавливания, возможности их использования при высокой температуре и повышенной влажности очищаемых газов, а также в случаях опасности самовозгорания, взрыва газов или улавливаемой пыли . Преимуществом мокрых аппаратов является возможность одновременного осуществления очистки газов от взвешенных частиц (пылеулавливание), извлечения газообразных примесей (абсорбция) и охлаждения очищаемых газов (теплообмен). В качестве орошающей жидкости в аппаратах мокрого пылеулавливания, как правило, применяется вода; в случае одновременной очистки газов от пыли и газообразных примесей выбор орошающей жидкости (абсорбента) определяется химическим составом улавливаемых примесей.
Скрубберы предназначены для очистки газовоздушных выбросов от пыли и газовых примесей, охлаждения газов (осушки и увлажнения), а также для предварительной очистки и кондиционирования газов, далее поступающих в пылеулавливающие аппараты других типов.























Дякуємо всім друзям, партнерам, волонтерам за допомогу та вашу невтомну роботу! Продовжуємо допомагати нашим захисникам та доправляємо військове спорядження, гуманітарну допомогу, польову медицину та спеціальні медицині засоби до військових підрозділів, територіальної оборони, лікарень на передовій!
Якщо є люди, фонди та волонтери, які хочуть відправити допомогу в Україну з країн Європи або США, ми готові приймати на наші склади, складати збірні чи окремі партії та під замовлення і прицільно передавати їх далі кому вона необхідна. На всю гуманітарну допомогу буде надано звітність про передачу, фото.


Говорят, что большие вещи приходят в маленьких посылках. И в течение последнего десятилетия MXenes - двумерные соединения углерода и переходных металлов, впервые разработанные в Дрекселе - подтверждали эту точку зрения, стимулируя инновации во многих областях науки. Теперь новое партнерство открывает возможности для помощи MXenes в спасении жизней.
Совместно с этой лекцией профессор Юрий Гогоци получит звание почетного доктора Сумского государственного университета.Это уникальная возможность приобщиться к науке мирового уровня, окунуться в мир наноматериалов и проследить научный путь нашего соотечественника. Лекция пройдет в 16:00, 27 мая 2021 года в Конгресс-Центре СумГУ, зал Сингапур 220, в г. Сумы.
Материал MXene, который был впервые получен учеными из Университета Дрекселя в 2011 году, - это еще один шаг к тому, чтобы изменить жизнь людей, страдающих болезней почек на 
Участник проекта CANBIOSE из Центра материаловедения (MRC), выполнил визит в партнерскую организацию Вильнюсский университет, для выполнения программы совместных исследований и тренингов.
Всемирно известный ученый-украинец профессор Юрий Георгиевич Гогоци рассказал о последних новинках нанотехнологий. Возможность для общения с ученым мирового уровня - редкость, но воспитанникам Малой Академии Наук Украины (МАН) везет. Именно такую возможность они недавно получили.
Инженер-исследователь из MRC Иван Гришко находится в Латвийском университете, где провел семинар по MXenes
Совместно с польскими коллегами они
Совместно с коллегами из КТУ они занимались симуляциями и моделированием механических свойств наноматериалов и нанокомпозитов.
В январе 2019 года профессор Юрий Гогоци был избран членом Европейской академии наук (EURASC). Профессор Юрий Гогоци - ведущий украинский и американский ученый в области химии, с 2000 года профессор Университета Дрекселя, Филадельфия, США, в области материаловедения, инженерии и нанотехнологий.